摘要
全差分放大器(FDA)具有差分输入和差分输出,其输出共模由直流(DC)输入电压独立控制,主要用在数据采集系统中模数转换的前端,用于将信号调理为合适的电平以供下一级(通常是模数转换器(ADC))使用。FDA一般采用单芯片设计,电源电压较小,因此输出动态范围有限。本文将介绍具有可调共模输出的高压低噪声FDA的设计方法。本文还完整分析了FDA噪声,以及其对高性能数据采集系统信号链的总体信噪比(SNR)的影响。
引言
高压FDA适用于需要宽输出动态范围和与高性能FDA类似的交流(AC)性能的应用。例如,测试和评估具有宽输入范围的精密数据采集信号链可能需要高压FDA。由于电源电压较小,目前大多数FDA的输出电压范围一般都很有限。FDA适合用于驱动高性能ADC的输入,后者通常需要单电源。FDA具有出色交流性能,其SNR和总谐波失真(THD)十分优异。不过,在失调、轨间摆幅、偏置电流和漂移性能方面,FDA不如许多更高电压的精密运算放大器。但这完全不是问题,因为其满足ADC驱动要求,而且ADI公司提供了一系列用于各种应用的ADC驱动器。
FDA支持单端或差分输入,具有增益,并提供差分输出,其共模通常可通过输出共模输入引脚(VOCM)进行调整(见图1)。FDA的优势在于拥有更大的输出动态范围,最大输出是输出轨的两倍,并且其噪声和偶次谐波失真更低。例如,±5 V FDA的最大输出峰峰值接近±10 V或20 V p-p。
±18 V电路的输出大于60 V p-p。ADA4625-1/ADA4625-2是低噪声JFET放大器,噪声和失真性能非常好,并且电源范围宽达±18 V。需满足应用的所有直流和交流性能要求时,使用分立运算放大器设计FDA可能会很棘手。

图1.FDA
要创建差分放大器,比较简单的方法是使用同相和反相放大器在输出端产生差模信号(图2),但这种方法的缺点是两个放大器U1和U2不能以非常对称的方式运行,因而性能没有得到优化。

图2.单端转差分电路
更好的方法是将两个运算放大器配置成差分方式,类似于基本差分放大器,其中U1和U2共享反馈和增益电阻,增益Av = (RG + 2RF)/RG(见图3)。

图3.差分放大器电路
此配置通过简化的增益网络提供平衡输出,并可通过增益设置电阻RG轻松调整增益大小。然而,当输入为单端时,差分输出在幅度上将是不对称的(见图4)。不对称输出会使输出范围严重受限,因为其中一个输出会先于另一个输出达到供电轨。通过调整电阻增益网络使输出对称,可以解决此问题(图5)。请注意,增益电阻被分成两部分,即RG1和RG2,并且U2从RG1和RG2的中心获得反馈,从而使输出对称。增益由下式给出:Av = (RG1 + RG2 + RF1 + RF2)/RG1。

图4.不对称输出

图5.对称输出
添加可调输出共模
添加可调共模的方法有两种:一种方法是使用两个ADA4625器件为每个输入添加一个VOCM放大器(图6和图7);另一种方法是仅使用一个ADA4625-1作为VOCM放大器(图8和图9)。这些方法各有利弊,下文将展开详细讨论。
通过添加放大器U3和U4,所施加的任何直流输入电压(V6)都会加到正负输入上。由于每个输入都增加了相同电压,因此它们在输出端表现为直流共模。然而,除了U1和U2差分级会进一步放大额外噪声之外,U3和U4还会在电路中产生额外的功耗。不过,它非常简单,并且不会影响整体信号增益。对于图6中的电路,信号增益为Av = (RG1 + RG2 + RF1 + RF2)/RG1;对于图7中的电路,信号增益为Av = (RG + RF1 + RF2)/RG。

图6.采用双放大器的单端转差分可调共模电路。右图为输入(红色)和输出(蓝色和绿色)的LTspice®仿真。

图7.采用双通道放大器的差分转差分可调共模电路。右图为输入(红色)和输出(蓝色和绿色)的LTspice仿真。
添加可调VOCM的另一种方法是添加一个放大器,将其输出加到每个输入上。这种方法的优点包括:使用的器件(仅一个放大器)和电阻更少,以及所添加器件产生的噪声贡献更低。实际上,U3不会产生任何额外噪声,因为除了来自电阻分压器R4至R7的噪声外,其折合到输出的噪声表现为U1和U2输入的共模。
电阻R3至R7构成电阻加法器网络,将VOCM加到输入信号上。R3至R5将共模加到正输入信号上,而R6至R8(单端输入则为R6和R7)将共模加到负输入上。请注意,该电阻网络会衰减输入信号。这会降低电路的整体信号增益。对于图8中的电路,总信号增益为Av = [(RG1 + RG2 + RF1 + RF2)/RG1][(R4//R5)/(R4//R5 + R3)];对于图9中的电路,总信号增益为Av = [(RG + RF1 + RF2)/RG][(R4//R5)/(R4//R5 + R3)]。噪声分析部分阐明了主要噪声源,并且根据所需的总增益和设计人员需重点考虑的其他因素,讨论了第二种添加VOCM的方法是否比第一种方法更有益。

图8.采用单放大器的单端转差分可调共模电路。右图为输入(红色)和输出(蓝色和绿色)的LTspice仿真。

图9.采用单放大器的差分转差分可调共模电路。右图为输入(红色)和输出(蓝色和绿色)的LTspice仿真。
噪声分析
在为高性能精密数据采集信号链提供激励时,噪声是一个关键考虑因素,最终将决定系统在动态范围和SNR方面的限制。16位ADC的理论SNR为98 dB(6.02 N + 1.76 dB,N = 位数),这意味着4.096 Vp输出(或8.192 V p-p)的等效噪声约为36 μV rms。这种噪声称为量化噪声,是由ADC的量化误差引起的。-98 dB SNR是16位系统的理想极限,任何性能下降都将是由ADC的输入或周围电路的额外噪声引起的。以下是单通道和双通道放大器VOCM全差分电路中各元器件的噪声贡献分析。图10为具有双放大器VOCM的FDA电路噪声模型。
差分级 — U1和U2噪声贡献
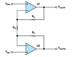
ADA4625-1/ADA4625-2的电流噪声密度非常低,在1 kHz时为4.5 fA/√Hz,而折合到输入(RTI)的电压噪声在1 kHz时约为3 nV/√Hz,本分析将其视为宽带噪声。U1和U2的电流和电压噪声在差分输出端的总噪声贡献(均方根值)可以表示为:

其中,eNv,U1U2是U1和U2的RTI电压噪声引起的输出电压噪声,而eNI,U1U2是输入电流噪声引起的输出电压噪声。对输入端各分量噪声的平方和求平方根(RSS)可以得到RTI电压噪声,然后由增益和反馈网络RF和RG进行放大。类似地,电流噪声经过RSS处理后,由RG转换为电压噪声,再经放大传输至输出。输入电流噪声非常小,其贡献微不足道,因此电阻和放大器的电压噪声是输出端的主要噪声源。

图10.双放大器VOCM噪声模型
由U1和U2的增益和反馈电阻网络(RF1、RF2和RG)引起的输出噪声为:

其中,室温下1 kΩ电阻的热噪声为4.06 nV⁄√Hz。
在输出端合并U1和U2的电压噪声及其反馈电阻网络噪声,忽略电流噪声,使用公式1和3可得到:

从之前的讨论可以得知,随着增益的提高,放大器的电压噪声很容易成为主导噪声。使用较小的RG值(例如500 Ω)可以大大降低电阻的噪声。
VOCM电路 — U3和U4噪声
接下来分析图10中VOCM电路的噪声。VOCM电路(U3和U4)的总噪声(包括电阻噪声,并忽略每个放大器的输入电流噪声)计算方式如下:

总VOCM输出噪声 =

其中,R1//R2为R1和R2的并联等效电阻。从之前的讨论还可以明显看出,U3和U4的总噪声主要由放大器电压噪声和电阻噪声组成,因此最好保持较低电阻值,以有效减少其对整体噪声的贡献,使放大器噪声成为唯一的主要噪声源。VOCM电路输出端的噪声会出现在差分级的输入端,随后由差分级放大并传输至输出端。
VOCM电路 — 单放大器U3噪声
如前所述,U3输出端的噪声作为U1和U2输入端的共模出现(显示为inp和inn,见图 11),因此不会给差分级带来噪声。额外的噪声来自电阻R3至R8。仔细检查可发现,差分级的每个输入端都有三个并联电阻——正输入端为R3至R5,负输入端为R6至R8(图11c),这也使得电阻的噪声贡献非常小。
在双放大器和单放大器VOCM电路这两种电路中,后者的噪声贡献要低得多,但其整体信号增益较低。此外,它的功耗更低,所需的放大器也更少。公式7表示图11中VOCM电路输出端的噪声;公式8表示差分级输出端变化对U1和U2的对应噪声贡献。

综合考虑 — ADC信号链的总SNR
ADC信号的总SNR由模拟前端(AFE)和ADC的总噪声贡献决定,其中可能包括来自其他噪声源的噪声。ADC信号链的总SNR由下式得出:

图11.单放大器VOCM噪声模型
其中,VREF被认为是双极性输出ADC的正满量程。
总体而言,信号链的总SNR可以用图12来总结。

图12.数据采集前端信号链
ADC的噪声与AFE输入端的噪声相结合,会使ADC的实际总SNR低于理论或理想值。为将AFE的噪声与ADC的噪声结合起来,需要将ADC的SNR转换为其均方根积分噪声等效值,如下所示:

例如,ADAQ7767-1的典型SNR为-106 dB,等效有效值噪声为14.5 μV。
ADAQ7767-1是一款24位数据采集解决方案,带有集成ADC驱动器和抗混叠滤波器,增益为1、0.364、0.143 V/V,250 kSPS时噪声带宽(BW)为110 kHz,其陡峭截止频率主要由其数字砖墙滤波器决定。ADA4625-1/ADA4625-2的典型宽带电压噪声为3.3 nV⁄√Hz,因此图13中差分级(U1和U2)的输出噪声贡献(噪声增益为6)为:
eN,V_U1U2 = [√2(3.3 nV)2] (500 Ω + 1.5 kΩ + 1 kΩ)/500 Ω = 28 nV⁄√Hz;U1和U2 RTI噪声引起,使用公式1。
eN,RES_U1U2 = √[2.87 nV(6)]2 + (4 nV)2 + (4.97 nV)2 = 18.4 nV⁄√Hz,电阻增益网络引起,使用公式3。
eN,U1U2 = √(28 nV)2 + (18.4 nV)2 = 33.5 nV⁄√Hz,差分级的总输出噪声贡献。
根据公式 8,其中差分级输入端三个电阻(1 kΩ)的并联等效值为333.3 Ω,噪声为2.3 nV⁄√Hz:
eNO,VOCM_U3 = 6√2(2.3 nV)2 = 19.5 nV⁄√Hz,电阻R3至R8引起的输出噪声贡献。
因此,ADAQ7767-1输入端的总输出噪声计算如下:

ADAQ7767-1的输入增益级配置设置为0.143 V/V,输入范围为±28 V (56 V p-p)。鉴于-106 dB的典型SNR相当于14.5 μv有效值噪声,将输入电路噪声与器件噪声相结合可得出如下结果:

输入电路对系统总噪声的贡献非常小,部分原因在于ADAQ7767-1的输入增益较小。请注意,110 kHz来自砖墙式数字滤波器,因此乘以带宽时无需带上滤波器带宽调整因子。根据-106 dB的典型SNR,信号链的最终SNR将为:

使用LTspice对图13中的输入电路进行噪声仿真(图14),表明110 kHz带宽的总有效值噪声为12.3 μV rms。将其乘以0.143 V/V的增益,得到ADAQ7767-1输入端噪声为1.8 μV有效值噪声,这与计算出的总输入噪声值相同。

图13.具有高压输入的ADAQ7767-1精密信号链

图14.图13所示ADAQ7767-1输入电路中的LTspice噪声
表1为使用ADAQ7767-1的其他增益时所得的信号链总SNR。
表1.ADAQ7767-1不同增益下的信号链总SNR
总AFE (FDA)噪声(V rms) | 带宽(Hz)(砖墙) | ADAQ7767-1增益 | ADC输入总噪声(V rms) | 系统总噪声(V rms) | 总SNR (dB) |
3.88E-08 | 1.10E+05 | 0.143 | 1.84E-06 | 1.46E-05 | -105.94 |
3.88E-08 | 1.10E+05 | 0.364 | 4.68E-06 | 1.52E-05 | -105.58 |
3.88E-08 | 1.10E+05 | 1 | 1.29E-05 | 1.94E-05 | -103.49 |
图13中仅使用了单放大器VOCM电路。该电路可用于向前端信号链系统提供大输入电压,而不会对噪声性能产生显著影响。双通道放大器VOCM电路可以在相同的总信号增益下提供类似的噪声性能。噪声分析部分“VOCM电路 — U3和U4噪声”中给出的噪声方程可用于计算双通道放大器VOCM电路输出端的总噪声,并且可以应用同样的方法和概念来计算信号链的总SNR。
发布日期: 2023-07-04
发布日期: 2023-12-02
发布日期: 2024-11-29
发布日期: 2024-05-13
发布日期: 2025-01-14
发布日期: 2023-11-27
发布日期: 2025-04-14
发布日期: 2024-07-14
发布日期: 2025-04-14
发布日期: 2025-04-14
发布日期: 2025-04-14
发布日期: 2025-04-14
发布日期: 2025-04-14
寻找更多销售、技术和解决方案的信息?
开yun体育官方入口登录(简称:绿测科技)成立于2015年11月,是一家专注于耕耘测试与测量行业的技术开发公司。绿测科技以“工程师的测试管家”的理念向广大客户提供专业的管家服务。绿测科技的研发部及工厂设立于广州番禺区,随着公司业务的发展,先后在广西南宁、深圳、广州南沙、香港等地设立了机构。绿测科技经过深耕测试与测量领域多年,组建了一支经验丰富的团队,可为广大客户提供品质过硬的产品及测试技术服务等支持。


技术工程师
020-22042442