ISO 16750-2: 2023 叠加交流电压(纹波注入)标准解读及测试方案

ISO16750-2:2023 更新概述

ISO16750-2标准介绍的是电气负荷部分。随着目前车辆的动力来自于可充电电池和氢能等清洁能源,车辆的电气负载特性在近年来产生了极大的变化。因此ISO16750-2标准随之进行更新,以适应更复杂要求。

ISO16750-2目前已从第四版的ISO16750-2:2012更新至第五版ISO16750-2:2023。最新版已于2023年7月发行。其主要变化有:

  • 介绍电气测试工作模式的使用;
  • 介绍相关试验用例冗余电源的概念;
  • 增加直流供电电压试验的详细说明;
  • 增加室温下过电压试验的详细说明;
  • 介绍瞬态过电压测试;
  • 全面更新叠加交流电压试验的测试方法,并将频率范围扩展到200kHz等;
  • 增加供电电压缓降和缓升试验的详细说明;
  • 介绍供电电压试验微中断;
  • 增加电压降试验中复位特性的详细说明;
  • 增加启动特性试验严重等级的说明;
  • 增加反向电压试验的详细说明;
  • 增加参考接地和供电偏移试验的详细说明;
  • 将单线断开试验拆分为两个:静态断开(单次断路事件)和动态断开(多个断路事件);
  • 将短路保护试验改为短路/过载保护试验;
  • 增加附录B中抛负载脉冲发生器验证的详细说明;
1.png

ISO16750-2:2023  4.1 通则、 4.2 直流供电电压

4.1 通则:新增如下要求

允差

原要求仅对频率和时间、电压、电阻提出了允差要求。现更新后对电流和电感也作了允差要求。具体要求值如下:

——频率和时间:±5%;
——电压:±0.2V;
——电流:±2%;
——电感:±10%;
——电阻:±10%。

DUT 数量

在ISO 16750-2:2023中,DUT数量至少要提供两个。如果根据客户和供应商之间的协议判断有必要,则增加的样本量可以用于最终验证阶段(过程验证)。

二次馈电DUT

对于在二次馈电上运行的设备和单元(例如,由12V DUT提供5V供电的传感器),应特别考虑电压供应范围,具体测试应根据实际车辆安装进行调整。哪些测试适用,哪些考虑也适用,应在客户和供应商之间达成一致。

对于进行二次馈电的装置或单元,有时与提供二次馈电的12/24 V DUT一起测试。

4.2 直流供电电压:新增直流供电电压波形

对整个测试波形进行了更新,对最大工作电压USmax 和最小工作电压 USmin 均作出了保持时间和上升速率等规定。测试波形如下图:

2.png

工作模式(细化)

测试过程中,针对不同的温度,需要将 DUT 运行在不同的工况下进行测试。

3.png

ISO16750-2:2023  4.3 过电压

概述

测试不再按照12V 和 24 V系统进行划分,而是按照测试项目进行划分,并指定项目是否适用12V或24V系统。

4.3.1 长时过电压:

Tmax-20℃下交流发电机故障

12V/24V系统采用18V/36V供电持续60分钟。新增要求在3.4模式(发电机工作时供电电压UA下最大负载)下测试

室温跳启动

12V系统测试项目,新增了上升/下降时间≤10ms要求,并增加了恢复时间。

4.png

4.3.2 瞬时过电压:新增项目

适用于12V/24V 系统,用于模拟DUT受到开关负载或配电系统中注入电流的负载的影响。DUT 测试工况为3.4模式。

对冗余电源处理时,其中一个端口进行测试,其余端口保持在UA。功能状态至少应达到B级,客户和供应商同意情况下可放宽至C级。

5.png



ISO16750-2:2023  4.4 叠加交流电压

频率

原要求测试频率范围为:50Hz~25kHz。现更新频率范围包含两段:f1: 10 Hz ~ 30 kHz、f2: 30 kHz ~ 200 kHz。

其中f1频段适用于DUT供电由无电池的发电机(紧急运行情况)、发电机供电、DC/DC转换器提供;f2频段适用于DUT供电由DC/DC转换器提供。可见,新要求相较于原要求,不仅在f1段频率范围变得更宽,而且要求对DC/DC转换器进行更高频段f2测试,以适应现阶段电动车辆供电形式的变化。

注入方式

原要求交流电压注入方式为扫频模式,频率采用对数轴,从50Hz~25kHz采用三角形扫频,持续时间120s,扫频连续5次。现要求测试采用步进模式,频率步进为对数2%步进,每个频率点测试时间≥2s,仅测试一遍。

电流限值

原要求对电流无限制要求。现要求f1频段内电流纹波峰峰值Ipp≤15A,f2频段内电流纹波峰峰值Ipp≤10A。

6.png

交流电压

对于12V系统,原要求Upp最大值为4V,现要求Upp大值为6V,并增加各等级对应的DUT应用场景;

对于24V系统,Upp最大值均为10V,保持不变。

而严酷度等级的表达方式改为按照产品类型进行区分,发生较大变化,如下表。

7.png

ISO16750-2:2023  4.4 叠加交流电压

参考测试(新增)

原版本无参考测试要求,采用直接注入进行测试。

现版本中要求在进行3.2模式(典型操作模式)的干扰注入测试前,先进行3.3模式(连接线束,上电UA,最小负载,辅助设备不启用)的参考测试。

参考测试过程中要求DUT内部能量缓冲起作用,如果DUT的结构具有任何开关来切断能量缓冲(如端口滤波),参考测试将不能正确确认电压纹波UR。电压纹波UR和测试电压Upp之间会由于线缆和能量缓冲系统影响导致UR值可能会比Upp值大得多。

参考测试的目的是确定纹波电压UR,以便注入到DUT的纹波电流不超过Ipp

参考测试过程中,电源应在U0上注入一个交流电压UR,UR应逐步增加,直到DUT处的Upp达到目标等级或Ipp达到最大电流限值。应记录每个频率下的UR

纹波注入测试

原要求为按测试布置进行连接,设定相应电压进行测试。

现要求明细了纹波注入测试的具体流程,如下:

从参考测试中确定的各频点下的UR施加到DUT。即使Ipp达到最大限值,也不允许降低UR。测试过程的连接布置与参考测试一致。测试过程中需要记录测试的Ipp和Upp值。如果DUT由两个或多个电源供电,则应执行以下测试组合:

1、同时施加到所有电源线;

2、纹波注入到其中一根电源线,其它电源线供电电压为USmin;依次遍历各电源线。

测试布置

现要求直接使用电源作为供应端,不要求使用扫频信号源作为频率发生。同时在布置中要求了对U0+UR 、Ipp、U0+Upp测试点位。要求Ipp和U0+Upp的测试点距离DUT 10cm范围内

8.png

测试要求

原要求仅为达到等级A(所有功能在测试期间和测试之后都按设计的要求执行)即可。

现不仅要求3.2模式下需要达到等级A,还要求在纹波注入前后测试DUT端口的阻抗。DUT端口阻抗允差应由供应商和车企之间协商确认,若超出范围则判定为失效,功能等级为E。

ISO16750-2:2023  4.5 供电电压缓降和缓升、 4.6 电压中断

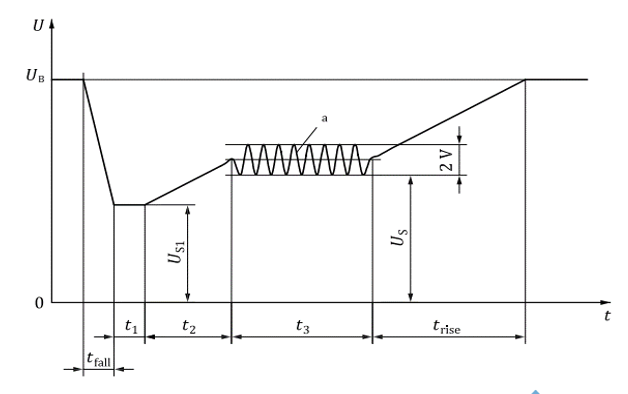
4.5 供电电压缓降和缓升:测试电压

以(0.5±0.1)V/min的线性变化率或以不大于25 mV的步长,将供电电压由UA降到0V,然后从0V升到UA。其最高测试电压从USmin提高至UA

9.png

DUT工况(新增,3.2模式)

冗余电源(新增)

如果DUT由两个或多个冗余电源提供,则应进行以下测试组合:

- 对所有冗余供电线路同时施加测试电压;

- 测试电压适用于其中一条冗余供电线,而其他供电线则保持在ISO 16750-1中定义的UA处。对每个冗余供电线重复操作。

测试要求

在分别在表3或表4中所示的电源电压范围内进行测试时,在主动运行模式下,需要在ISO 16750-1中定义的功能状态A。此范围外功能状态至少应达到D级,必要时可要求达到更严酷的C级。

对于具有冗余供电的DUT,根据暴露的组合,可以指定到功能状态类A。这应由客户和供应商达成一致。

4.6.1.1 供电电压瞬时下降

更新概述

明确DUT工况、对多个供电线路情况进行详细描述、细化测试要求。

测试波形

将试验脉冲同时加到DUT的有效输入端。上升和下降时间应不超过10 ms。12V/24V系统从USmin下降至4.5V/9V,脉冲起始和结束时间分别为10s~10.1s。

冗余供电(新增)

如果DUT由两个或多个冗余电源提供,如果客户和供应商同意,则应一次对其中一个冗余供电线路施加测试电压。其他供电应保持在ISO 16750-1中定义的USmin

DUT工况(新增,3.4模式,最大负载)

10.png

ISO16750-2:2023  4.6 电压中断

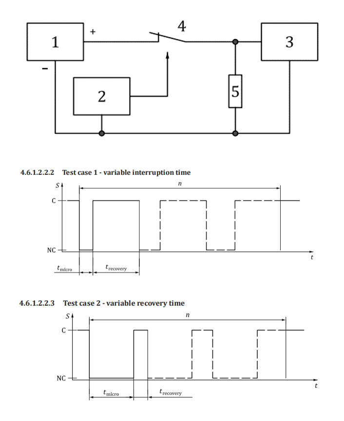
4.6.1.2 微中断(新增)

更新概述

主要来源ISO 7637-2测试要求

验证开关反应时间

使用常闭开关,DUT分别替换成1kΩ10Ω的低电感电阻进行开关反应时间测试,测试时间要求<10μs

冗余供电

如果DUT由两个或多个冗余电源提供,如果客户和供应商同意,则应一次对其中一个冗余供电线路施加测试电压。其他供电应保持在ISO 16750-1中定义的USmin

DUT工况(3.4模式)

测试用例一:可变中断时间

步进中断时间:tmicro随次数慢慢增加,从10μs最大至2s

恢复时间:trecovery ≥5s

循环数:1

测试用例二:可变恢复时间

步进中断时间:trecovery随次数慢慢增加,从100μs最大至10s

恢复时间:tmicro ≥100ms

循环数:1

11.png

ISO16750-2:2023  4.6 电压中断

4.6.2 复位特性

更新概述

明确DUT工况(3.4模式)、内部带电容器、对多个供电线路情况进行详细描述

测试波形

供电电压以5%步长从USmin降到0.95USmin,保持5s,再上升到USmin,至少保持10s并进行功能试验。然后将电压降至0.9USmin等等,按图6所示以USmin的5%梯度继续进行直到降到0V,然后再将电压升到USmin

冗余供电(新增)

如果DUT由两个或多个冗余电源提供,如果客户和供应商同意,则应一次对其中一个冗余供电线路施加测试电压。其他供电应保持在ISO 16750-1中定义的USmin

DUT内部带电容器(新增)

如果DUT在电压供应线上有内部电容缓冲器,可以在电压下降期间维持DUT的内部电压,则建议在测试期间监测DUT内部电源电压,以确保DUT电源电压水平已降至中每个步骤定义的测试水平。如果由于测试可行性(如密封DUT),导致在实际测试设置中无法进行电压监测,则应以其他方式显示内部电压降的可遵循性,如模拟、实验室测量、计算、工程判断。

ISO16750-2:2023  4.6 电压中断

4.6.3 启动特性

更新概述

周期恢复时间延长

测试波形

将启动特性试验脉冲应用于DUT的所有相关输入(连接)上10次。每个启动周期之间的恢复时间应≥2s,直到DUT 100%运行为止。应根据应用场景选择一个或多个测试。

测试要求

在车辆启动期间工作的DUT功能状态应达到A级,其他功能按表确定。


14.png

ISO16750-2:2023  4.6 电压中断

4.6.4 抛负载

更新概述

增加冗余电源要求

引用要求

试验脉冲发生器应能够根据4.6.4.2.2和4.6.4.2.3产生抛负载试验脉冲,更详细信息见ISO 7637-2:2011附件D。抛负载发生器的性能和公差应根据附件A给出的试验方法或等效试验方法进行验证。在附件B中,提供了一些关于抛负载脉冲来源的更多信息。

测试脉冲A & B

12V系统Us介于79~101V,trise = 10ms,td介于40~400ms,内阻Ri介于0.5~4Ω。

24V系统Us介于151~202V,trise = 10ms,td介于100~350ms,内阻Ri介于1~8Ω。

抛负载试验脉冲发生器内阻Ri定义如下:

(10×发电机标称电压×发电机实际转速)/(0.8×发电机6000转电流×12000转速)

DUT工况(3.4模式)

冗余供电(新增)

如果DUT由两个或多个冗余电源提供,如果客户和供应商同意,则应一次对其中一个冗余供电线路施加测试电压。其他供电应保持在ISO 16750-1中定义的USmin

17.png

ISO16750-2:2023  4.7 反向电压

更新概述

增加试验波形详细描述、增加冗余电源要求、对上升和下降时间作出了要求

测试用例1

测试波形:从USmin通过tfall ≤10ms下降到-4V,保持60s后通过trise ≤10ms回到USmin,保持120s,完成一次循环

测试用例2

12V系统反向电压为-14V,从0V通过tfall ≤10ms下降至-14V,保持60s后通过trise ≤1000ms从-14V上升至0V,保持120s。

24V系统反向电压为-28V,从0V通过tfall ≤10ms下降至-28V,保持60s后通过trise ≤1000ms从-28V上升至0V,保持120s。

DUT工况(新增)

本测试期间不适用操作模式。

冗余供电

如果DUT由两个或多个冗余电源提供,如果客户和供应商同意,应根据以下适用试验用例的反向电压一次应用于其中一个冗余电源线。其他供应或供应应保存在ISO 16750-1中定义的UB

ISO16750-2:2023  4.8 参考接地和供电偏移

更新概述

详细规范测试方式、测试电压更改、提供测试矩阵、明确DUT工况

测试电压

测试电压由UA更改为US = UB +(UA-UB)/2 ,将US应用于DUT,并确认正常运行。

测试矩阵(新增)

偏移应分别应用于每条接地/供电线路(见右上图),并应针对每条可能的接地/电源线路组合重复测试。对于测试覆盖范围的概述,建议创建一个显示可能组合的测试矩阵。表17中给出了这种测试矩阵的示例。

所有DUT的偏移电压为(1.0±0.1)V。试验顺序如下:

a) 对DUT施加电压US= UB+(UA-UB)/2;

b) 对DUT的接地/供电线路施加偏移电压;

c) 在上述条件下进行功能试验;

d) 按不同接地/供电组合重复测试c)的内容。

对偏移电压反向重复上述试验。

DUT工况(3.4模式)

20.png

ISO16750-2:2023  4.9 开路

4.9.1 单线中断

更新概述

单线中断测试分为两个测试用例:静态中断(单个中断事件)和动态中断(多个中断事件,即突发事件);增加负载要求、工况要求

试验方法一(静态中断)

DUT工况3.4模式

根据以下条件对负载电路进行本测试:

——输出开启;

——输出关闭。

在DUT/系统接口的每条电路分别重复进行。试验条件如下:

——断开时间:(10±1)s;

——开路阻抗:≥10 MΩ。

——最大中断转换时间为≤10 ms

试验方法二(动态中断)

DUT工况3.4模式

根据以下条件对负载电路进行本测试:

——输出开启;

——输出关闭。

在DUT/系统接口的每条电路分别重复进行。试验条件如下:

——开路阻抗:≥10 MΩ。

——最大中断转换时间为≤10 ms

中断时间tint=100μs,中断循环tint-cycle=1ms,中断循环持续时间tint-burst=10s,中断恢复时间tint-recovery=10s,整个循环进行2次

21.png

测试要求

功能状态至少应达到C级,客户和供应商同意情况下可放宽至D级。

对于具有冗余电源的DUT,最高可以指定功能状态A级。这应由客户和供应商达成一致。

ISO16750-2:2023  4.9 开路电压

4.9.2 多线中断

更新概述

新增DUT工况,对冗余电源提出要求

测试目的

本测试的目的是确保在DUT遭受快速多线路中断时,例如在拔掉到DUT的整个连接器时,达到DUT规范中定义的功能状态。该测试适用于12 V和24 V系统。

试验方法

断开DUT的连接,然后恢复连接。观察设备在中断期间和中断之后的行为。

测试工况(新增)

测试运行在工况2.1模式一次,运行在工况3.4模式一次

试验条件

试验条件如下:

——断开时间:(10±1)s;

——开路阻抗:≥10 MΩ。

对具有多个连接器的DUT,应对每一种可能的连接进行测试。

测试要求

功能状态至少应达到C级,客户和供应商同意情况下可放宽至D级。

对于具有冗余电源的DUT,最高可以指定功能状态A级。这应由客户和供应商达成一致。

ISO16750-2:2023  4.10 短路和过载试验

更新概述

短路保护试验更名为短路/过载保护试验,增加测试方法、测试要求详细描述。

4.10.1 测试目的

这些测试模拟了对设备的输入和输出的短路和过载。该测试适用于12 V和24 V系统。

4.10.2 短路试验

短路试验方法

a)将待测试的DUT信号线/负载电路连接到USmax

b)保持短路状态,持续时间为60 s ± 10 %。

c)观察在保持时间期间和之后DUT的行为。

d)将待测试的DUT信号线/负荷电路连接到接地。

e)保持短路状态,持续时间为60 s ± 10 %。

f)观察在e)中保持时间期间和之后的DUT的行为。

对DUT的所有信号线路和负荷电路输入/输出重复步骤a)至f)。

短路试验顺序

对于下列各项条件,应执行上述的完整测试集一次:

a) 连接电源端子和接地端子:

  1) 激活输出;

  2) 停止输出。

b)断开的正电源电压端子(例如,当信号线和负载电路上存在对正极 电源短路时,通过拆除DUT电缆线束保险丝来解决反向电流的影响)。

短路测试要求(细化)

功能状态应达到C级。

受保险丝保护的负载电路应在更换所有熔断的保险丝后恢复正常运行(即,这些电路的功能状态应为ISO16750-1中定义的最低D级)。

对于电子保护输出,如果短路时的保护策略包括在指定的时间间隔内有限数量的激活重试,在关闭负载输出之前,还应考虑在恢复正常运行之前需要用户干预。对于这些负载输出,功能状态应为ISO 16750-1中定义的最小D级。

对于具有冗余电源的DUT,最高可以指定功能状态类A。这应由客户和供应商达成一致。

ISO16750-2:2023  4.10 短路和过载试验

更新概述

短路保护试验更名为短路/过载保护试验,增加测试方法、测试要求详细描述。

测试目的

这些测试模拟了对设备的输入和输出的短路和过载。该测试适用于12 V和24 V系统。

4.10.3 负载端过载测试

过载试验方法

将DUT连接到电源上。负载电路应能正常运行。每个负载电路应单独测试:

-100%的电流容量(标称负载);

-150%的电流容量(过载)。

测试对象

本测试仅适用于带有负载电路的系统/部件。

DUT工况(3.4模式)

负载测试要求

功能状态应达到C级。

对于电子保护输出,如果过载情况下的保护策略包括在指定时间间隔内有限次数的激活重试,则在关闭负载输出之前,还应考虑在恢复正常操作之前需要用户干预。对于此类负载输出,需要最低功能状态等级D。

所有常规熔断器保护输出端应能承受短路电流且在熔断器替换后能恢复到正常工作(最低达到D级)。

所有未受保护的输出应能承受额定负载电流,但可能会被过载测试电流损坏(允许功能状态等级E,前提是DUT中的材料符合UL94-V0的易燃性要求)。

对于具有冗余电源的DUT,最高可以指定功能状态类A。这应由客户和供应商达成一致。

ISO16750-2:2023  4.11 绝缘耐压、 4.12 绝缘电阻

4.11 绝缘耐压

更新概述

明确适用范围、环境相关要求、DUT工况

测试目的

检验DUT中电介质的绝缘耐压能力。本试验仅对含有电感元件(例如,继电器、电机、线圈)或连接到电感负载电路的系统/组件有要求。

测试对象

该测试适用于12 V和24 V系统。

请注意,在本部分中只描述了对12/24 V组件的测试。对于带电压为B级的部件和/或48 V电路的部件的耐压试验,请参考ISO 16750-4

湿热循环试验

按照ISO 16750-4:2023里5.6.2.2、5.6.2.3或5.6.2.4的要求进行湿热循环试验。所使用的湿热循环试验应由客户和供应商商定。

在进行湿热循环试验后,系统/部件应在室温下保持0.5小时。

DUT工况(1.1模式或1.2模式)

测试方法

将500 V rms(50 Hz至60 Hz)的正弦测试电压应用于标称电压为12 V和24 V的系统中的设备,持续时间为60 s,其他电压等级可由客户和供应商进行确认。如下所示:

——在带有电绝缘的端子间;

——在带有电绝缘的端子和带有电传导面的壳体间;

——塑料外壳情况下,在端子和包裹外壳的电极(例如金属箔)间。

测试要求

DUT至少应满足C级功能状态;试验时不得出现击穿和闪络。

4.12 绝缘电阻

更新概述

明确适用范围、环境相关要求、DUT工况

测试目的

该测试确保了一个最小的欧姆电阻值,以避免电流隔离电路和DUT的导电部分之间的电流。检验DUT系统和材料的绝缘特性。

测试对象

该测试适用于12 V和24 V系统。

请注意,在本部分中只描述了对12/24 V组件的测试。对于带电压为B级的部件和/或48 V电路的部件的耐压试验,请参考ISO 16750-4

湿热循环试验

按照ISO 16750-4:2023里5.6.2.2、5.6.2.3或5.6.2.4的要求进行湿热循环试验。所使用的湿热循环试验应由客户和供应商商定。

在进行湿热循环试验后,系统/部件应在室温下保持0.5小时。

DUT工况(1.1模式或1.2模式)

测试方法

将500 V rms(50 Hz至60 Hz)的正弦测试电压应用于标称电压为12 V和24 V的系统中的设备,持续时间为60 s,其他电压等级可由客户和供应商进行确认。如下所示:

——在带有电绝缘的端子间;

——在带有电绝缘的端子和带有电传导面的壳体间;

——塑料外壳情况下,在端子和包裹外壳的电极(例如金属箔)间。

测试要求

绝缘电阻应大于10 MΩ。对于特定的应用,可以通过客户和供应商之间的协议来更改需求。

绿测ISO 16750-2:2023电气负荷测试解决方案


绿测科技针对ISO 16750-2:2023对汽车电气性能的全新要求,现推出符合该要求的全自动测试方案。

硬件连接

由于市售电源大部分叠加最高的交流电压频率为5 kHz,在绿测优势供应链下,我们提出了使用可外接高频调制的电源和任意函数发生器组合作为输出电源,并使用示波器来测量输出电压UR、测试电压Upp和测试电流Ipp。该系统可完成ISO 16750-2:2023新版测试,尤其是叠加交流电压测试,其系统连接示意图如下:

22.png

VectWorks自动化测试软件

VectWorks自动化软件工具是一种现成可用的解决方案,支持远程控制及配置测试序列,可控制多种仪器进行ISO16750系列测试,且支持自动或手动调整测试内容,以提供符合标准的自动化流程测试。

主要特色:

测试能力

绿测ISO 16750-2:2023电气性能测试解决方案现支持以下项目的全自动化、全流程测试:

46.jpg

另外,由于ISO 16750-2:2023 新增了Load Dump、micro interrupt等原ISO 7637-2相关测试,绿测可提供相关的测试仪器和手动测试解决方案用于补充相关的测试:

32.png

33.png

提供可视化的设备管理和DUT(Device Under Test)设置界面,方便用户进行连接参数的配置。

26.png

提供连接状态的标记功能,可以协助用户快速定位异常点,从而加快异常的排除过程。

27.png

测试条件自定义设计,确保测试的灵活性和适应性。

28.png

测试过程实时监控界面,方便用户对测试过程进行管控。

29.png

提供多种格式的报告文档,方便用户理解和分析。

30.png

测试优点

31.png

Related products

相关产品

寻找更多销售、技术和解决方案的信息?


KAIYUN体育官方网站

开yun体育官方入口登录(简称:绿测科技)成立于2015年11月,是一家专注于耕耘测试与测量行业的技术开发公司。绿测科技以“工程师的测试管家”的理念向广大客户提供专业的管家服务。绿测科技的研发部及工厂设立于广州番禺区,随着公司业务的发展,先后在广西南宁、深圳、广州南沙、香港等地设立了机构。绿测科技经过深耕测试与测量领域多年,组建了一支经验丰富的团队,可为广大客户提供品质过硬的产品及测试技术服务等支持。

绿测工场服务号
绿测工场服务号
绿测科技订阅号
绿测科技订阅号
020-2204 2442
Copyright @ 2015-2024 开yun体育官方入口登录 版权所有 E-mail:Sales@greentest.com.cn 粤ICP备18033302号
Baidu
map